Why Buy From Us?
- Australian Owned
- 100% Fitment Guarantee
- Genuine Quality Brands
Shop now. Pay Later. Interest Free.
Make 4 interest-free payments of $912.55 fortnightly and receive your order now. More info
Enjoy Now, Pay Later
Can't Find What You're Looking For?
If you're looking for something in particular, we can help. Drop us a line using the button below.
Submit A RequestWhy Buy From Us?
- Australian Owned
- 100% Fitment Guarantee
- Genuine Quality Brands
Description
Take control of your LS engine with Terminator X Max! Don't settle for a junkyard ECU with a cumbersome tuning interface when you can have complete control of your engine, self-learning fuel strategies and the proven, race-winning technology of Holley EFI at a budget-friendly price!
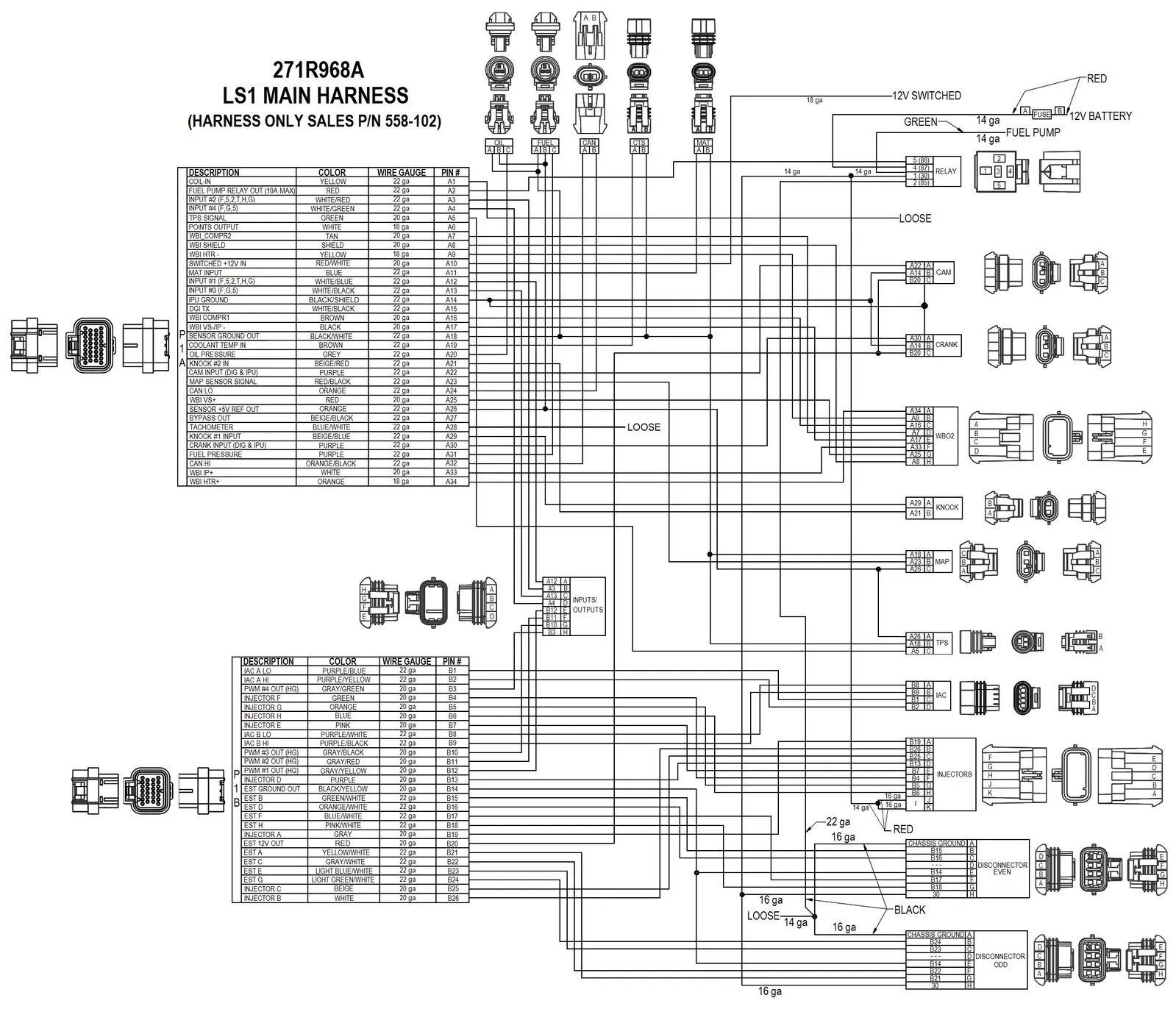
Terminator X Max features real-time fuel learn, high impedance injector drivers, an integrated 1bar MAP sensor, and 4 programmable inputs and outputs. The inputs and outputs are ideal for electric fans, boost control solenoids, progressive nitrous control, and much more. Part number 550-916 also has 4L60E or 4L80E Transmission control. Terminator X Max comes fully loaded with base maps for common LS engine combinations to get you out of the garage and on the road/track fast. These Terminator X kits include a USB/CAN tuning cable instead of the 3.5" Handheld LCD, these kits require the use of the free Terminator X Software for initial setup. The Terminator X Software includes multiple base calibrations to choose from for either naturally aspirated or boosted engines. Also included is Holley EFI's industry-leading, easy to use software suite that allows full laptop access for advanced users. Whether you are building a budget beater or a boosted race car, Terminator X MAX has the features and technology you need at a price that won't break the bank!
Features
- For GM LS1/LS6 engines with 24x crank reluctor with EV6 injectors and 4L60E/4L80E transmissions
- Real-Time fuel map learn, takes the guess work out of tuning your base fuel table.
- High Impedance Injector Drivers will safely power most Stock LS injectors, and Holley EFI Injectors. Injector support chart provided in the instructions (Will not control Low Impedance Injectors)
- All of the new Terminator X Max systems utilize the Bosch LSU 4.9 wideband to relay AFR information to the ECU for accurate reading and precise tuning control.
- On-Board 1bar MAP sensor, is perfect for N/A or Nitrous engine combos. If your combination requires a 2+Bar, we recommend GM 12592525, and our adapter part number 558-416.
- MAP Sensor vacuum hose adapters (1/8th ¼ and 3/16ths)
- 4 Inputs 12v, Ground, 5v, and Frequency, for things such as additional pressure sensors, or activation triggers for nitrous activation, or a trans brake
- 4 Outputs Ground, PWM - , for accessories such as; fans, boost control, nitrous control, IAC Kit, and More
- Boost Control Boost vs Time, Boost vs Gear, Boost vs RPM, Boost vs Speed, Boost Safeties
- Nitrous Control Single Channel of Wet or Dry, Progressive or Non-Progressive, Rich/Lean Safeties, and target Closed Loop AFR
- Advanced Tables 4x 1D Tables, 1x 1D per Gear Table, 4x 2D Tables, 1x 2D per Gear Table, can be used for any custom tables you can dream up, such as Flex Fuel Sensor Offset Table, or a custom fuel or oil pressure safety!
- On-Board Diagnostic LEDS for: ECU Power Engine Run Wideband Status TPS Calibration Crank Signal Cam Signal. Allow you to identify any Critical engine issues at a glance
- Includes CAN/USB tuning cable allowing you to configure your ECU and Tuning the engine in real time.
- The compact ECU size allows you to mount it virtually anywhere. Remember, diagnostic LEDS must face up!
- Plug and play compatible with more Holley EFI accessories such as; analog style gauges, shift lights, various modules, and coming soon, 12.3" digital dash support!
- Free EFI Tuning Software for complete control of your Terminator X power plant
- Includes: 24x LS Engine Main Harness - EV6 Injector Harness - 4L60E/4L80E Transmission Control Harness - Terminator X MAX ECU - ECU Main Power Harness - Bosch LSU 4.9 Wideband Oxygen Sensor - I/O Harness - and assorted vacuum adapters.
Specifications
| Accelerometer Support | Yes |
| Boost Control | Yes |
| Brand | Holley EFI |
| CAN-BUS Support | Yes |
| Category Filter | Fuel Injection - EFI |
| Clearance Category | Fuel Injection - EFI |
| Coil Per Cylinder Ignition Support | Yes |
| Crank Reluctor | 24x |
| Datalogging Support | Yes |
| Distributor Included | No |
| Drive-By-Wire | No |
| Dry Nitrous Control | Yes |
| e85 Support | Yes |
| EGT Support | Yes |
| Emission Code | 3 |
| Engine | GM LS1/LS2/LS6 |
| Forced Induction Support | Yes |
| Fuel Filter Included | No |
| Fuel Hose Included | No |
| Fuel Injectors Included | No |
| Fuel Pressure Regulator Included | No |
| Grade Type | Performance |
| Handheld Included | No |
| Ignition Timing Control | Yes |
| Ignition Type | GM LS 24x |
| Individual Cylinder Fuel Corrections | Yes |
| Injector Connector | USCAR (EV6) |
| Intake Manifold Included | No |
| Knock Retard Support | Yes |
| Multi-Stage Nitrous Control | Yes |
| Product Type | EFI System |
| Progressive Nitrous Control | Yes |
| Sale Category | Air and Fuel Delivery |
| Self-Tuning | Yes |
| Terminator LS Options | Fuel, Spark, Transmission |
| Throttle Position Sensor Included | No |
| Transmission | 4L60E/4L80E |
| User-Tuneable | Yes |
Compatibility
- Universal Part
Take control of your LS engine with Terminator X Max! Don't settle for a junkyard ECU with a cumbersome tuning interface when you can have complete control of your engine, self-learning fuel strategies and the proven, race-winning technology of Holley EFI at a budget-friendly price!
Terminator X Max features real-time fuel learn, high impedance injector drivers, an integrated 1bar MAP sensor, and 4 programmable inputs and outputs. The inputs and outputs are ideal for electric fans, boost control solenoids, progressive nitrous control, and much more. Part number 550-916 also has 4L60E or 4L80E Transmission control. Terminator X Max comes fully loaded with base maps for common LS engine combinations to get you out of the garage and on the road/track fast. These Terminator X kits include a USB/CAN tuning cable instead of the 3.5" Handheld LCD, these kits require the use of the free Terminator X Software for initial setup. The Terminator X Software includes multiple base calibrations to choose from for either naturally aspirated or boosted engines. Also included is Holley EFI's industry-leading, easy to use software suite that allows full laptop access for advanced users. Whether you are building a budget beater or a boosted race car, Terminator X MAX has the features and technology you need at a price that won't break the bank!
Features
- For GM LS1/LS6 engines with 24x crank reluctor with EV6 injectors and 4L60E/4L80E transmissions
- Real-Time fuel map learn, takes the guess work out of tuning your base fuel table.
- High Impedance Injector Drivers will safely power most Stock LS injectors, and Holley EFI Injectors. Injector support chart provided in the instructions (Will not control Low Impedance Injectors)
- All of the new Terminator X Max systems utilize the Bosch LSU 4.9 wideband to relay AFR information to the ECU for accurate reading and precise tuning control.
- On-Board 1bar MAP sensor, is perfect for N/A or Nitrous engine combos. If your combination requires a 2+Bar, we recommend GM 12592525, and our adapter part number 558-416.
- MAP Sensor vacuum hose adapters (1/8th ¼ and 3/16ths)
- 4 Inputs 12v, Ground, 5v, and Frequency, for things such as additional pressure sensors, or activation triggers for nitrous activation, or a trans brake
- 4 Outputs Ground, PWM - , for accessories such as; fans, boost control, nitrous control, IAC Kit, and More
- Boost Control Boost vs Time, Boost vs Gear, Boost vs RPM, Boost vs Speed, Boost Safeties
- Nitrous Control Single Channel of Wet or Dry, Progressive or Non-Progressive, Rich/Lean Safeties, and target Closed Loop AFR
- Advanced Tables 4x 1D Tables, 1x 1D per Gear Table, 4x 2D Tables, 1x 2D per Gear Table, can be used for any custom tables you can dream up, such as Flex Fuel Sensor Offset Table, or a custom fuel or oil pressure safety!
- On-Board Diagnostic LEDS for: ECU Power Engine Run Wideband Status TPS Calibration Crank Signal Cam Signal. Allow you to identify any Critical engine issues at a glance
- Includes CAN/USB tuning cable allowing you to configure your ECU and Tuning the engine in real time.
- The compact ECU size allows you to mount it virtually anywhere. Remember, diagnostic LEDS must face up!
- Plug and play compatible with more Holley EFI accessories such as; analog style gauges, shift lights, various modules, and coming soon, 12.3" digital dash support!
- Free EFI Tuning Software for complete control of your Terminator X power plant
- Includes: 24x LS Engine Main Harness - EV6 Injector Harness - 4L60E/4L80E Transmission Control Harness - Terminator X MAX ECU - ECU Main Power Harness - Bosch LSU 4.9 Wideband Oxygen Sensor - I/O Harness - and assorted vacuum adapters.
| Accelerometer Support | Yes |
| Boost Control | Yes |
| Brand | Holley EFI |
| CAN-BUS Support | Yes |
| Category Filter | Fuel Injection - EFI |
| Clearance Category | Fuel Injection - EFI |
| Coil Per Cylinder Ignition Support | Yes |
| Crank Reluctor | 24x |
| Datalogging Support | Yes |
| Distributor Included | No |
| Drive-By-Wire | No |
| Dry Nitrous Control | Yes |
| e85 Support | Yes |
| EGT Support | Yes |
| Emission Code | 3 |
| Engine | GM LS1/LS2/LS6 |
| Forced Induction Support | Yes |
| Fuel Filter Included | No |
| Fuel Hose Included | No |
| Fuel Injectors Included | No |
| Fuel Pressure Regulator Included | No |
| Grade Type | Performance |
| Handheld Included | No |
| Ignition Timing Control | Yes |
| Ignition Type | GM LS 24x |
| Individual Cylinder Fuel Corrections | Yes |
| Injector Connector | USCAR (EV6) |
| Intake Manifold Included | No |
| Knock Retard Support | Yes |
| Multi-Stage Nitrous Control | Yes |
| Product Type | EFI System |
| Progressive Nitrous Control | Yes |
| Sale Category | Air and Fuel Delivery |
| Self-Tuning | Yes |
| Terminator LS Options | Fuel, Spark, Transmission |
| Throttle Position Sensor Included | No |
| Transmission | 4L60E/4L80E |
| User-Tuneable | Yes |
- Universal Part
Best Sellers
Fuel Injector PnP Adapter USCAR to Denso - 4-Pack (Subaru an
$24.95




































































































